From the Deans connector to where. In other words where is the negative lead of the meter connected to.
Cheers Bob
Hi Jeff
I did say Negative OR Ground. As different people use different terminology I tend to use both to TRY to avoid confusion.
âGroundâ would probably be the better term as being âCommonâ as there are plenty of positive âGroundâ systems out there not to mention split supplies.
So I think I will use âGroundâ or âCommonâ from here on.
Cheers Bob
Ok, what options are there to verify this? How I can test for it?
Deans positive & deans negative - testing straight off the power supply, though the bms is wired between this connector and the battery negative terminal. The battery negative terminal isnt accessible without opening the shrink around the battery though.
Hi Matt
I really donât know what is going on here. I assume âBMSâ means battery management system and I suppose it could be connected in the negative lead. I donât know how it miraculously completes the circuit to he battery and provides full voltage when the device is switched on. I would have thought the voltage would have to be available for the switch on system (whatever that may be) to work. I am now pretty confused. What sort of battery is it to have its terminals shrink wrapped ?
The fact that the BMS is in the negative lead makes me suspect this system could possibly be positive common (Ground)
Jeff is probably right. The control electronics would not be powered from the full battery voltage and could well be a nominal 12V.
Re your measurements. The ones measured WRT A and B are pretty meaningless as we donât know where the other ends of the connections go. I suspect this flashing LED they connect to is in built in to the original button. Is this the case. As I said before the unstable voltage you measure between A and B is the voltage across the flashing LED.
Is there any possibility you have some sort of documentation about this device and its connections. Or let us in on what it is, its brand and model number and just possibly there may be something available to shed some light on things.
Cheers Bob
Yes, battery management system. This is how they are normally installed, see diagram of typical 36V BMS wiring, note where the cell terminals are in the circuit. Assembled batteries will have this covered by shrink to protect the connection to the BMS.

It is a separate piece that is not specific to my setup, and very common in ebike batteries. It only sits prior to the power supply to the speed controller, so Iâm not sure introducing any of itâs function will simplify the issue I am having.
Yes, I clarified this earlier in the thread. The momentary button I am trying to use does not have an LED.
Agreed, makes sense to me! Gut feeling says I can eliminate these two pins for any further use on this basis?
Unfortunately no, and Iâm not trying to be secretive or mysterious about it, again apologies if this is what you believe. This specific speed controller is proprietary also though, and I am working with limited information myself, but does fit the mould of a typical âspeed controllerâ. The aim for this is simply to change the power switch for this device from latching to momentary. The speed controller does not have specifically designed part for this switch, it is/very similar to the latching toowei 4000 unit. Toowei IP67 Waterproof Electronic LED Illuminated Switch Push Button Micro Switch for Auto Parts - China 12V LED Latching Pushbutton Switch and 12mm PCB Waterproof Push Button Switch
Hi Matt
Did not really think you were but it is so damned hard when you are trying to modify (yes you are trying to modify) something with no available information and to make it a bit harder do it remotely, sight unseen.
Yes that is correct. They are there if you want a flashing LED for anything but otherwise no further use.
Now the next step. We must provide a common (I am going to use this term) connection or nothing will work.
As you established the brown wire with the yellow tape is the pos connection (verifies by analysing voltage chart) so connect this to âVinâ on the Pololu switch
Connect the other brown wire to âVoutâ on Pololu switch.
Now you will have to arrange a connection from negative on the Dean connector to âGndâ on the Pololu switch. This might be temporary for the moment and if it works do something permanent later BUT it is required for any of the electronics to work.
Connect your button (without the 0.1”F cap for now) where indicated on the Pololu switch.
This should work. But I still donât quite understand why you have to turn the system ON (with the original button) before you get volts across the dean connector. Because of this this arrangement may not work and you will have to get that Gnd wire on to the Battery negative point somehow. If THIS doesnât work I think you need a mechanical switch or relay contact which you apparently already have (the original). Even using a relay will require the ground connection and voltage available before switch on to operate it.
Keep us posted re how you get on.
Cheers Bob
There is one other bug in all of this. What happens to that brown wire when switched at the moment is unknown.
If by any chance it is switched to common (ground) to turn the device on, the Pololu switch will fail. This thing is a high side switch and uses the voltage at âVinâ to power the on board electronics and grounding it will turn it off. If this is the case pin âDâ could well be connected to common. If this is the car you will need a low side latching switch. None of your chart measurements confirm the status of pin D or E. They just say that pin E is 13V more positive WRT pin D.
You could try measuring the resistance from pin D to dean connector negative. Disconnect the battery first to prevent accidents. If this measures a very low resistance or short circuit you can scrap all previous ideas. If you still want to do this electronically you will need a low side switch and you will then have to find a suitable positive supply to power those electronics. You would need at least 5V.
Nothing was meant to be easy.
Cheers Bob
It might be tricky to find the other side of that 13.1v supply, and you should not assume that it is anywhere in the connector. What you are looking for is the other end of whatever it is that the existing switch is switching. D is the (switched) supply to some part of that device that needs 13.1v to make the whole thing work, and that 13.1v must have a negative point to complete the circuit. It might be the case (the system ground), it might be the other side of a small DC regulator that is driven off of one of the higher voltage sources, or it might be a common tap on a complex multi-voltage power supply module. Without details of the internal design, or good look around inside the device, itâs hard to predict where you would find it. If you can look inside the device I would start by tracing the D connector to see if you can identify exactly what is being switched, or tracing the E connector to find out how the 13.1v is being generated.
Hi Matt
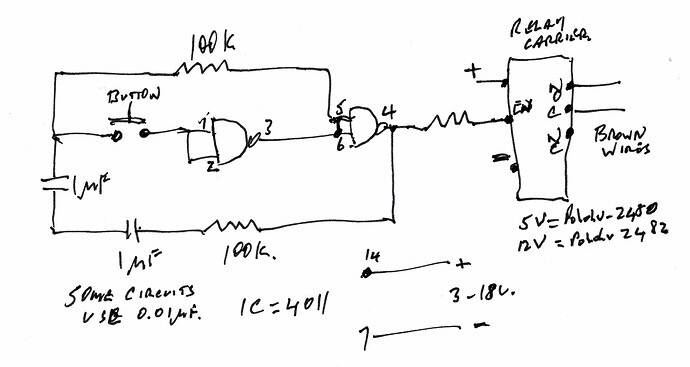
Here is a latching circuit I dug up and is pretty simple but you will have to build it up.
It overcomes the problems trying to find out what the brown wires actually do as it uses the unencumbered relay contacts to close the switch circuit the same as the original switch. You will have to provide a voltage supply from somewhere. The latching circuit uses anything up to 18V. The relay carrier boards come in 5V or 12V flavours which fall nicely into the latching circuit range.
The relay carrier board has the Mosfet switch to operate the relay and all the required diodes and bits except for a gate current limiting resistor. I have included this on the circuit but have not marked a value. As the IC is limited in sink and source output current I would suggest a value between 2k7 and 5k1 here. I thing with this value the IC should have enough grunt to drive the Mosfet gate. The relays used here are Omron which are (used to be) good quality, The 5V one needs â 80mA and the 12V â 34mA so your power source has to accommodate this plus a bit extra for the rest.
Core stock codes: 5V - Pololu-2480 and 12V - Pololu-2482
The bottom capacitor in the circuit is 0.01”F in some circuits. I donât know the significance of this, You might experiment if you need to. These caps are NOT electrolytic but 1”F non polarised are readily available and are quite small in the 50V monolithic range.
A power source (you CANNOT use the brown wires) could be a bit of a problem but this or something similar is the easiest solution I can think of at the moment given the lack of information re what exactly those brown wires do. Something for you to think about anyway.
Cheers Bob
Hi Matt
Just another thought.
You can still use that latching Pololu switch. Connect a relay (5V 0r 12V) between Vout and Gnd. Donât forget a diode across the relay coil, Cathode to Vout.
Connect the 2 brown wires to NO and Com relay contacts.
You will still have to find a way to power it. 5V or 12V depending on relay.
Or use that little relay board mentioned above. Connect the gate series resistor between Vout and board âENâ. Connect relay board VDD to Vin or Vout. Connect relay board Gnd to Gnd. Connect brown wires to Com and NO.
Whatever you do you are still going to have to power it.
Unless you revert to a mechanical latch as original.
I canât think of anything else.
Cheers Bob
Hi Matt
I think the main problem in trying to find the easiest and simplest solution is establishing what the brown wires do EXACTLY. If you can identify a ground or common point and do some voltage measurements with respect to that point it may provide some clues. Measuring pin to pin does not reveal much. Negative battery should be such a point. Maybe not but it would be a start. There has to be power on the unit while ever the battery is connected or nothing would work although with some of these secret bits of equipment one can never be sure.
Cheers Bob
Hi Bob, Jeff,
Just wanted to leave a message, I have seen these new posts and am hoping to get some more time on Thurs to get back into this. Thanks so much for the dedication to helping me work this out, this has been a long term problem for me and is literally the last piece I need to finish this project - your interest is greatly appreciated. Sorry havenât followed up sooner, but I will update as soon as I progress!
Thanks again
